Ikkunan puuaihio Kartano

Jakopuite (1,3 m)
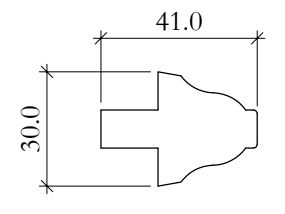
Mittakuva - Ikkunapuiteosat - 840-619-333 - 1
Ikkunan puuaihio Kartano - Ikkunapuiteosat - 840-619-333 - 2
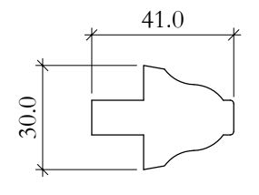
Mittakuva - Ikkunapuiteosat - 840-619-333 - 1
Kartano on profiileistamme koristeellisin.
19,50 € / kpl
  • Tuotekoodi: 840-619-333
kpl
Ikkunanpuite, pituus 1,3 m.

Tuote
Ruutuikkunoiden jakopuu on tehty tiheäsyisestä männystä. Puitteessa on muotoprofiili.

Materiaali
Mänty. Puu on sormijatkamatonta ja oksatonta.

Mitat
Puitteen pituus on 130 cm, syvyys 4,1 cm ja korkeus 3 cm. Kyntteen syvyys 15 mm ja korkeus 9 mm.
Myymälä
Saatavuus
Osoite
Yhteystiedot ja aukioloajat
Oletko ostanut tämän tuotteen?
Nouto myymälästämme (Hattula)
Nouto myymälästämme (Hattula)
0,00 €
Nouto postista
Nouto postista
4,90 €
Nouto Postin pakettiautomaatista
Nouto Postin pakettiautomaatista
4,90 €
Nouto Matkahuollosta tai Matkahuollon Pakettipisteistä
Nouto Matkahuollosta tai Matkahuollon Pakettipisteistä
4,90 €
Kotijakelu
Kotijakelu
12,50 €